上海最新kb论坛,2025年cl1024厂址,ydymm论坛广州佛山

Motor starting PTC thermistor

Products > Thermistor > Motor starting PTC thermistor

Motor starting PTC thermistor

Price: 0.00

★feature
1
high voltage endurance
2
good impact endurance
3
long life span
4
small residual current
5
low power
6
good flame-resisting
7
safe and reliable

 

★application range
appliance
refrigerator,air conditioner
motor
hothouse of train
dryer
others

 

★description
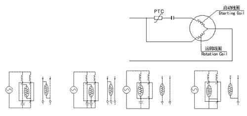
In single phase AC motor start circuit,PTC connects in series with auxiliary starting coil,which can break automatically after the motor accelerate,PTC protect the coil from damage
We can offer you many forms of packing case.

★application

★application

type

value at 25

trip time

power passipation

restore time

insulation resistor

voltage endurance

max voltage

max current

(Ω)

S

W

S

MΩ)

VAC

VAC

A

MZ9220RN

20(1±30%)

0.6

9

180

100

1000

500

30

MZ9235RN

35(1±30%)

0.20.7

3.5

120

100

550

410

12

MZ9240RM

40(1±20%)

14

4

90

100

500

380

12

MZ9240RM-A

40(1±20%)

14

4

90

100

500

380

12

MZ9240RM-B

40(1±20%)

14

4

90

100

500

380

12

MZ9240RM-C

40(1±20%)

14

4

90

100

500

380

12

MZ9247RM

47(1±20%)

0.53

3.5

70

100

600

380

12

MZ-47R

47(1±20%)

0.140.48

3.5

70

100

600

380

10

MZ-47R-A

47(1±20%)

0.140.48

3.5

70

100

600

380

10

MZ9250RM

50(1±20%)

14

4

90

100

650

500

9

MZ92100RM

100(1±20%)

0.5

4

90

100

1000

500

9

MZ-100R

100(1±30%)

0.5

4

90

100

600

500

9

The electronic parameter and size above only for reference,according to custo


主站蜘蛛池模板: 武乡县| 凤凰县| 韶关市| 同心县| 玉田县| 金阳县| 渑池县| 闽侯县| 台北县| 怀宁县| 六枝特区| 德令哈市| 开江县| 邵武市| 收藏| 灌云县| 宁武县| 通化县| 乌兰浩特市| 凉城县| 临城县| 南康市| 寿阳县| 蓬溪县| 澄城县| 鄢陵县| 凌海市| 资溪县| 芷江| 榆林市| 朔州市| 嵩明县| 太保市| 迭部县| 石阡县| 湖南省| 晋江市| 嵊州市| 化隆| 军事| 南宫市|